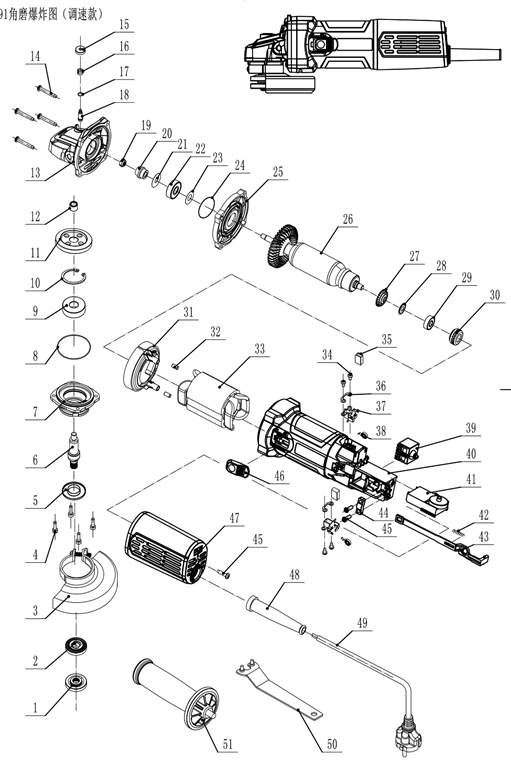
Деталировка (взрыв-схема) угловая шлифовальная машина (болгарка) Redbo EAG-125/1350R - поколение 2070701
| Поз. | Vin 码 | 名称 | 配件名(英文) | Наименование | Артикул | Примечание |
|---|---|---|---|---|---|---|
| 1 | 2070701 | Outer Flange | Шайба прижимная | |||
| 2 | 2070701 | Inner Flange | Шайба опорная | |||
| 3 | 2070701 | 砂轮罩 | Wheel Guard | Кожух защитный | 80010103042 | |
| 4 | 2070701 | Screw M4X16 | Винт М4*16 | |||
| 5 | 2070701 | Front Cover | Шайба | |||
| 6 | 2070701 | 输出轴 | Spindle | Шпиндель | 80440042178 | |
| 7 | 2070701 | Front Cover | Крышка редуктора | |||
| 8 | 2070701 | O Ring | Кольцо | |||
| 9 | 2070701 | 轴承 | Bearing 6201 | Подшипник 6201 | 80010502019 | |
| 10 | 2070701 | 孔用弹性挡圈 | Circlip For Hole 32 | Кольцо стопорное 32 мм | 80440042180 | |
| 11 | 2070701 | 大齿轮 | Big Gear | Шестерня большая | 80440042181 | |
| 11+20 | 2070701 | Bevel pair | Коническая пара | 80010103165 | ||
| 12 | 2070701 | 滚针轴承 | Needle Bearing Hk0810 | Подшипник NK0810 | 80440042182 | |
| 13 | 2070701 | 头壳(齿轮箱) | Gear Box | Корпус редуктора | 80010103162 | |
| 14 | 2070701 | Screw ST4X25 | Винт М4*25 | |||
| 15-18 | 2070701 | Stopper assembly | Стопор в сборе | 80010103163 | ||
| 15 | 2070701 | 自锁帽 | Selflocking Cap | Кнопка стопора | 80440042183 | |
| 16 | 2070701 | 自锁弹簧 | Selflocking Spring | Пружина стопора | 80440042184 | |
| 17 | 2070701 | O Ring | Кольцо стопора | |||
| 18 | 2070701 | 自锁销 | Selflocking Pin | Палец стопора | 80440042185 | |
| 19 | 2070701 | Nut M6 | Гайка М6 | |||
| 20 | 2070701 | 小齿轮 | Pinion | Шестерня малая | 80440042186 | |
| 21 | 2070701 | Bearing Washer | Шайба | |||
| 22 | 2070701 | 轴承 | Bearing 629 | Подшипник 629 RS | 80010502011 | |
| 23 | 2070701 | Bearing Washer | Шайба | |||
| 24 | 2070701 | O Ring | Кольцо | |||
| 25 | 2070701 | Middle Cover | Крышка промежуточная | |||
| 26 | 2070701 | 转子 | Armature | Ротор | 80010103121 | |
| 27 | 2070701 | 防尘圈 | Dustproof Ring | Пыльник | 80440042188 | |
| 28 | 2070701 | Washer | Шайба | |||
| 29 | 2070701 | 轴承 | Bearing 608 | Подшипник 608 ZZ | 80200101040 | |
| 30 | 2070701 | 轴承套 | Bearing Sleeve | Втулка резиновая 608 | 80010103316 | |
| 31 | 2070701 | 挡风圈 | Windshield | Кольцо воздухонаправляющее | 80440042191 | |
| 32 | 2070701 | Rubber Column | Втулка | |||
| 33 | 2070701 | 定子 | Stator | Статор | 80010103122 | |
| 34 | 2070701 | Screw ST3.5X8 | Винт М3,5*8 | |||
| 35 | 2070701 | 碳刷 | Carbon Brush | Щётки | 80010103120 | |
| 36 | 2070701 | Insulation Strip | Контакт | |||
| 37 | 2070701 | Brush Holder | Щёткодержатель | |||
| 38 | 2070701 | 盘簧 | Coil Spring | Пружина | 80440042192 | |
| 39 | 2070701 | 开关 | Switch | Выключатель (внутренний) | 80010103123 | |
| 40 | 2070701 | 机壳 | Housing | Корпус двигателя | 80010103221 | |
| 41 | 2070701 | 调速器 | Speed Regulator | Регулятор оборотов | 80440042193 | |
| 42 | 2070701 | 推杆弹簧 | Pushover Bar Spring | Пружина | 80440042194 | |
| 43 | 2070701 | 推杆 | Pushover Bar | Тяга выключателя | 80440042195 | |
| 44 | 2070701 | 压线板 | Cord Clamp | Прижим кабеля | 80440042196 | |
| 45 | 2070701 | Screw ST4X14 | Винт М4*14 | |||
| 46 | 2070701 | Push Block | Ползунок выключателя | 80010103153 | ||
| 47 | 2070701 | Rear Cover | Крышка корпуса | |||
| 48 | 2070701 | Protector | Бандаж кабеля | |||
| 49 | 2070701 | 电缆线 | Cable | Кабель питания | 80010104017 | |
| 50 | 2070701 | Wrench | Рукоятка дополнительная | 80010103141 | ||
| 51 | 2070701 | Side Handle | Ключ затяжки круга |
Товары
Все
15
Угловые шлифмашинки (болгарки)
1
Подшипники - запчасти
1
Шлифовальные машины - запчасти
13

